
| 径向复合滚轮轴承 Radial Combined Roller Bearings |
||||||||||||||
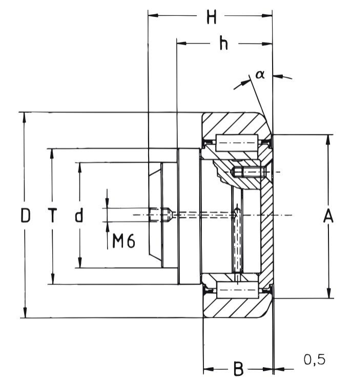
| 型号 Model |
外形尺寸 (mm) BOUNDARY DIMENSIONS (mm) |
载荷(KN) RATING (KN) |
重量 (KG) WEIGHT (KG) |
铁板 Flange plates |
配套导轨 Profiles standard |
可选外径尺寸(mm) Optional Outer Diameter size(mm) |
||||||||
| Germany | Italy | D | T | d | H | h | B | A | C | C0 | ||||
| 2.054 | MR121 | 62.5 | 42 | 30 | 34.5 | 26.5 | 20 | 50 | 31 | 35.5 | 0.55 | AP0/AP0-LUB/AP0-Q | 0 Nbv | 62/64.8 |
| 2.055 | MR122 | 70.1 | 48 | 35 | 42 | 34 | 23 | 57 | 45.5 | 51 | 0.8 | AP1/AP1-LUB/AP1-Q | 1 Nbv | 70.35/73.8 |
| 2.056 | MR123 | 77.7 | 53 | 40 | 45.5 | 34 | 23 | 61 | 48 | 56.8 | 1.05 | AP2/AP2-LUB/AP2-Q | 2 Nbv | 78.1/81.8 |
| 2.058 | MR125 | 88.4 | 59 | 45 | 54 | 41 | 30 | 68 | 68 | 72 | 1.7 | AP3.1/AP3.1-LUB/AP3.1-Q | 3 Nbv | 88/88.9/92.8 |
| 2.061 | MR127 | 107.7 | 71 | 60 | 65.5 | 51.5 | 31 | 82 | 81 | 95 | 2.9 | AP4/AP4-LUB/AP4-Q | 4 Nbv | 108.55/111.8 |
| 2.062 | MR129 | 123 | 80 | 60 | 67.8 | 51.5 | 37 | 92 | 110 | 132 | 4 | AP4/AP4-LUB/AP4-Q | 5 Nbv | 127.8 |
| 2.063 | MR130 | 149 | 103 | 60 | 73 | 54 | 45 | 116 | 151 | 192 | 6.7 | AP6/AP6-LUB/AP6-Q | 6 Nbv | 153.8 |
Copyright @ 2018-2025 PbootCMS 保留所有权利。 技术开发:zzw