

| 其他复合滚轮轴承 Other Combined Roller Bearings |
||||||||||||||||||||
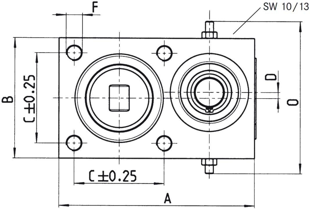
| 型号 Model |
外形尺寸 (mm) BOUNDARY DIMENSIONS (mm) |
载荷(KN) RATING (KN) |
重量 (KG) WEIGHT (KG) |
配套导轨 Profiles standard |
||||||||||||||||
| Germany | A | B | C | D | F | G | H | I | J | K | L | M | N | O | C | C0 | CA | C0A | ||
| JC 4.054 | 140 | 60 | 40 | ±8 | M10 | 62.4 | 62.5 | 64 | 24 | 30.5 | 10 | 30 | 72 | 80 | 31 | 35.5 | 11 | 11 | 1.65 | 0 Nbv |
| JC 4.055 | 170 | 80 | 50 | ±10 | M12 | 70 | 70.1 | 82 | 33 | 36 | 15 | 40 | 83.5 | 102 | 45.5 | 51 | 13 | 14 | 2.95 | 1 Nbv |
| JC 4.056 | 170 | 80 | 50 | ±10 | M12 | 78 | 77.7 | 82 | 33 | 36.5 | 15 | 40 | 83.5 | 102 | 48 | 56.8 | 18 | 18 | 3.3 | 2 Nbv |
| JC 4.058 | 195 | 120 | 90 | ±20 | M16 | 78 | 88.4 | 82 | 28 | 44 | 20 | 60 | 90 | 152 | 68 | 72 | 23 | 23 | 5.8 | 3 Nbv |
| JC 4.061 | 240 | 120 | 80 | ±20 | M16 | 101.6 | 107.7 | 98 | 29 | 55 | 20 | 60 | 120 | 150 | 81 | 95 | 31 | 36 | 8.75 | 4 Nbv |
| JC 4.062 | 240 | 120 | 80 | ±20 | M16 | 101.6 | 123 | 98 | 29 | 56 | 20 | 60 | 120 | 150 | 110 | 132 | 43 | 50 | 9.75 | 5 Nbv |
| JC 4.063 | 265 | 150 | 100 | ±35 | M16 | 101.6 | 149 | 98 | 29 | 58.5 | 20 | 75 | 130 | 170 | 151 | 192 | 68 | 71 | 13.9 | 6 Nbv |
Copyright @ 2018-2025 PbootCMS 保留所有权利。 技术开发:zzw